Offline
Android MCUプロトタイプボードシミュレーター(無料)
Android OSのMCUシミュレーターは、シミュレートされた画面上のプロトタイプボードで68705 MCUと同様のアセンブリ言語コードを実行します。埋め込まれたアプリケーションの愛好家、学生、教師、またはマイクロコントローラーCPUおよび電子プロトタイプボードを試すのが好きな人に最適です。アセンブリ言語も学習するのは楽しいです!
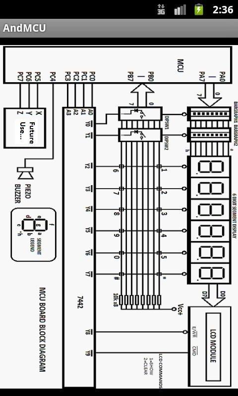
ANDMCUはソフトウェアとハードウェアの両方をシミュレートします。実際のプロトタイプボードと同様に、ASMコードは、数字のセグメントを点灯したり、キーパッドやディップスイッチからキーストロークを読んだりするなど、接続されたハードウェアを制御するようにMCU I/Oポートを構成する必要があります。
単純な内蔵テキストエディターまたは選択したAndroidテキストエディターを使用して、アセンブリコードを書き込み、AndMCUにロードして実行できます。
組み込みのアセンブラには、ステップバイステップトレースモード、ブレークポイント、メモリコンテンツのダンプをHTMLファイルにダンプするなど、多くの有用なディレクティブがあり、CPU速度の調整、ロードされたコードの自動ランニングがあります。次のオペコード(68705 MCU命令セットのサブセット)をサポートします。
NOP、CLC、CLI、SEC、SEI、STOP、SWI、TAX、TXA、LDA、LDX、STA、STX、ADD、ADC、CLR、CLRA、CLRX、DEC、DEC、DECX、INC、INCA、INCX、SUB、SBC、
そして、CMP、com、com com、comx、cpx、eor、lsl、lsla、lslx、lsr、lsra、lsrx、lsrx、
ネガ、ネガ、オラ、ロル、ロラ、ror、rora、tst、tsta、bra、bsr、bcc、bcs、
beq、bne、bhi、blo、bls、jmp、jsr、rts、rti、bclr、bset。
ANDMCUボードは、次のハードウェアコンポーネントをシミュレートします。
1)3X 8ビットの双方向ポートを備えた8ビットCPU。
2)6桁の表示
3)16文字のLCDディスプレイ
4)2x 8ビットディップスイッチ
5)2x8 LED Bargraphディスプレイ
6)12キーキーパッド
7)1ピエゾブザー
8)外部、タイマー、ソフトウェアの割り込み
9)1アナログ入力(光センサー)。
*最大1080 x 1920(フルHD)の画面解像度で動作します。
(これは高速のCPUエミュレーターではありません - これは教育目的のためのシミュレーターです。詳細については、AndMCUのWebサイトのドキュメントを参照してください。)
これは、AndMCU(無料)の広告サポートバージョンです。
このアプリケーションが気に入っている場合は、Google Play市場から広告なしバージョンを購入することで、さらなる開発をサポートしてください。また、広告なしバージョンでは、ビルトインエディターのフリックスロールを可能にします。
インターネット許可:広告サポートに有効(ADMOB)。
これらの2024年11月のGenshin Impact Codes、5.1 LiveStream Codesで無料のPrimogems、Mora、Experienceなどを入手し、アクティブコードを引き換える方法を見つけてください。
Metaphor RefantazioのVanillaバージョンのプレイに飽きている場合は、これらの5つのMODを確認できます。
2024年のRobloxのThe Hauntイベントのためのあなたの提出に苦労していますか?ドレスを使用してキャプチャを作成するために感動するガイドをチェックしてください!
ドラゴンエイジのための私たちのウォークスルー:パズル、ボス、仲間、装備、ロマンスなどのガイドを備えたいくつかの便利なヒントとコツがあります。
ドラゴン時代にどの派factを選ぶべきですか:ベルガード?
Sea of Conquest:Pirate Warでいくつかのボーナスリソースをお探しですか?最新の船乗りの景品のために、これらのコードでカバーされています。
」弊社のウェブサイトでは、MCU Board simulator (free) の最新バージョンを簡単にダウンロードできます。登録やSMSは必要ありません! 「